Tăng âm công suất 240W FV-224PA-AS hỗ trợ ngõ ra loa trở kháng cao 100 V line và 70 V line. Amply Fv-224PA có độ ổn định cao, thường được dùng cho các dự án lớn.

Thông số kỹ thuật Tăng âm công suất 240W: FV-224PA-AS
| Nguồn điện | AC: 220 – 230 V AC, 50/60 Hz DC: 24 V DC (dải điện áp: 19.5 – 27 V) |
|---|---|
| Công suất tiêu thụ | Nguồn AC (230V) Tại công suất ra: 565 W Không có tín hiệu: 22W IEC60065: 245 W |
| Dòng tiêu thụ | Nguồn DC (27V) Tại công suất ra: 15 A Không có tín hiệu: 0.3 A IEC60065: 5.8 A |
| Công suất ra | 240 W |
| Ngõ vào | 02 ngõ vào song song, 0 dB, 20 kΩ, không cân bằng, giắc đấu nối rời (3 chân) |
| Trở kháng ra | 21 Ω (70 V), 42 Ω (100 V) |
| Ngõ ra loa | Kiểu ốc vít M4, khoảng cách giữa các ốc: 12 mm |
| Ngõ ra điều khiển | Ngõ ra báo lỗi – đóng mạch; bình thường, hở mạch; lỗi thiết bị |
| Tỷ lệ S/N | Trên 60 dB |
| Độ méo | Dưới 1% (1 kHz, 1/3 công suất ra) |
| Đáp tuyến tần số | 80 Hz – 15 kHz, ±3 dB, 1 kHz |
| Tản nhiệt | Bằng quạt |
| Đèn hiển thị | Nguồn, tín hiệu vào (màu xanh); tín hiệu ngưỡng đỉnh, lỗi (màu đỏ) |
| Nhiệt độ hoạt động | 0 ℃ tới +40 ℃ |
| Độ ẩm | Dưới 90% RH (không ngưng tụ) |
| Vật liệu | Vỏ nhôm màu đen |
| Kích thước | 482 (R) x 88.4 (C) x 337.2 (S) mm |
| Khối lượng | 13.4 kg |
| Phụ kiện đi kèm | Giắc cắm rời (3 chân) x 3, hướng dẫn sử dụng x 1 |
| Phụ kiện tùy chọn | Mô-đun ngõ vào VP-200VX (sử dụng cho hệ VX-2000, SX-2000) |
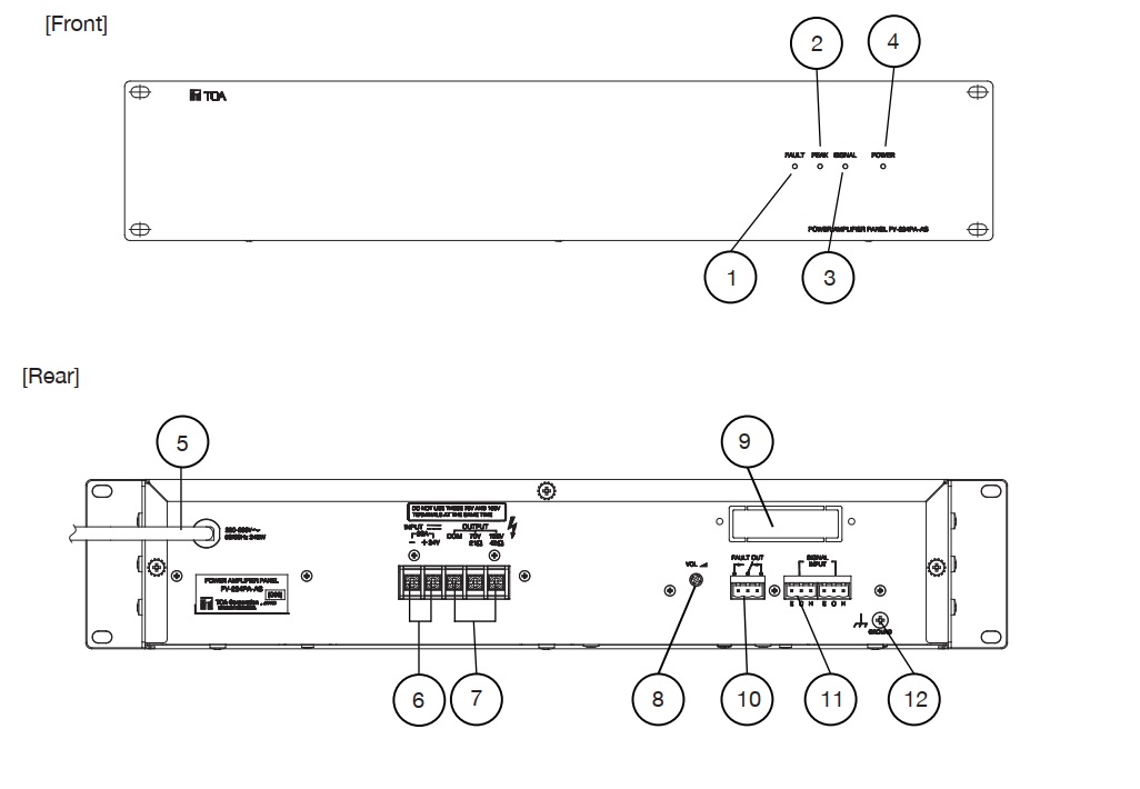
Chi tiết cổng chức năng tăng âm FV-224PA-AS

- Đèn báo lỗi thiết bị. Đèn này sáng khi: Tắt nguồn, khoảng vài giây, khi thiết bị nóng quá mức cho phép, khi cầu chì bị cháy, và khi mạch điện bị cháy đứt
- Đèn quá tải: Đèn có màu đỏ, khi đèn sáng đỏ đậm màu thì cảnh báo hệ thống đang quá tải. Hoặc âm lượng mở lớn quá mức cho phép. Tình trạng này dễ bị cháy thiết bị
- Đèn tín hiệu: Khi đèn xanh sáng lên là báo hiệu có tín hiệu đầu vào, mức độ tín hiệu lớn hay nhỏ thì độ sáng của đèn sẽ thay đổi theo
- Đèn báo nguồn điện 220V được cấp cho tăng âm FV-224PA-AS
- Dây cấp nguồn 220V
- Cổng cấp nguồn DC 24V
- Cổng gắn loa, có 2 mức gắn loa trở kháng cao, 70V và100V
- Chỉnh âm lượng của amply FV-224PA-AS
- Khe cắm thiết bị VP-200VX
- Cổng ngõ ra lôi
- Cổng tín hiệu vào, được gắn với Fv-200PP-AS
- Cổng tiếp đất chống nhiễu cho thiết bị
Một số ứng dụng của tăng âm FV-224PA-AS
Tăng âm FV-224PA Được dùng chính trong hệ thống Fv-200-AS. Thường được lắp đặt cho các dự án trung bình, có số lượng loa và công suất thấp. Như âm thanh trường học, âm thanh cho nhà xưởng vừa, âm thanh cho tòa chung cư, siêu thị vừa.
Ngoài ra amply FV-224PA-AS còn có thể ghép riêng với các dòng amply liền mixer khác để tiết kiệm chi phí. Thay vì dùng một hệ thống các thiết bị FV-200, thì chỉ cần môt bộ mixer và 1 bộ tăng âm FV-224PA là đáp ứng tốt cho hệ thống âm thanh đơn giản.
Một số lưu ý khi lắp đặt amply FV224PA-AS
Bộ khuếch đại FV224PA này yêu cầu đấu nối tín hiệu phải đúng phân cực. Đầu ra loa có cổng COM và 100V thì phải đấu đúng cực.
Nếu đấu nối sai thì có thể bị méo tiếng, âm thanh rè, sôi, và thậm chí bị cháy amply. Khi đó đèn Fail sẽ sáng lên, lúc này bạn sẽ phải tháo nắp amply FV-224PA ra. Kiểm tra các cầu chì bị cháy, và thay nó. Sau đó thử lại, đấu nối theo đúng phân cực.
Chân tiếp đất cần phải được tiếp đất tốt, như vậy sẽ cho ra tín hiệu chất lượng âm thanh tốt nhất. Nếu bạn nghe thấy âm thanh bị sôi, rè khi mở lớn thì khả năng tiếp đất chưa tốt.
Volume có thể chỉnh ở mức 70-100%, nhưng các tín hiệu đầu vào không được mở lớn hết mức, điều chỉnh từ nhỏ tới vừa nghe để âm thanh không bị bể tiếng.
Hữu Thiên chuyên phân phối tăng âm khuếch đại FV-224PA-AS thương hiệu TOA chính hãng chất lượng cao. Và các thiết bị khác trong hệ thống FV-200. Mọi thông tin xin quý khách liên hệ.
CÔNG TY TNHH GIẢI PHÁP ÂM THANH HỮU THIÊN


Đánh giá
Chưa có đánh giá nào.